The Crane Wheel Block System is a modular wheel assembly designed to support and drive cranes or transfer vehicles along their tracks. It combines the wheel, housing, bearings, and drive connection into a compact unit, ensuring smooth, stable, and precise movement of lifting equipment.
Wheel sets manufactured by Henan Mine Crane are used in various lifting machinery and transfer vehicles and can be custom designed according to customer requirements and drawings.
As crane structures evolve, crane wheel diameters and assembly methods more optimized. Here are several crane wheel assemblies for your reference.
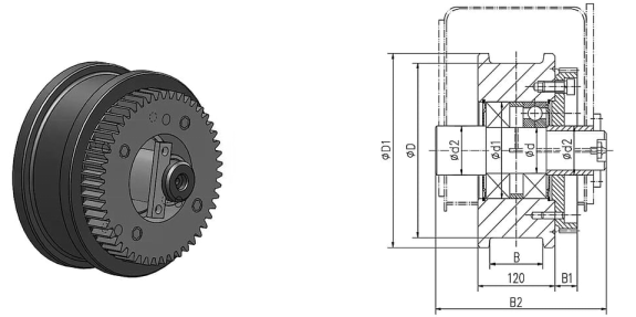
1. Gear crane wheel assembly
| Application Scenarios: Gear crane wheel is widely used in all kinds of lifting and transporting equipment,especially in large tonnage equipment, such as LD single beam crane, loading bridge, gantry crane on Dam Crest, container crane, port machinery etc.
Composition: The gear crane wheel assembly mainly consists of a wheel axle, wheel, bearings, and a gear ring, comprising four parts.
Features:
Crane Wheel Materials: The materials for the wheels include 42CrMo4, AISI 4140, 41Cr4, A504, SSW-Q1R, and other high-quality forged or cast steels. Gears are manufactured using 45#, 40Cr, or 42CrMo steels. The axle material for LD crane wheels is 45# steel, and the gear ring is forged from 40Cr steel. We also supply European-type and custom gear wheel based on clients' requirements.
Size Parameters: The main specifications are two sizes: LD300 and LD400, with groove widths of 70 and 90mm. and can be custom designed according to customer requirements and drawings.
|
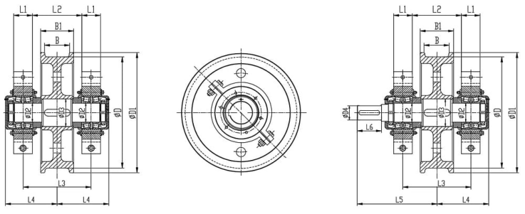
2. L block crane wheel assembly | Application Scenarios: Dual-flange L block crane wheel assemblies are primarily used in gantry cranes, travelling mechanisms of double girder bridge cranes, casting cranes, electric flat cars, trolley groups, ship unloaders, shipyards, port machinery, coal unloaders, stacker reclaimers, shore bridges, and similar applications.
Composition: Angular box-type crane wheel assemblies typically consist of four parts: wheel axle, wheel disc, angular bearing box, and bearings.
Features:
Crane Wheel Material: The material of the crane wheel is typically a high manganese alloy or cast steel. Cast steel crane wheel assemblies include cast 55, cast 50SiMn, and cast 42CrMo. Forged steel crane wheel assemblies include forged 60, forged 42CrMo, and forged 65Mn.
Size Parameters:
|
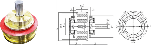
3. European crane wheel assembly
| Round Bearing Box European crane wheel assembly & Square Bearing Box European crane wheel assembly
Application Scenarios: Mainly used in European-style cranes of the present day.
Composition: European-style crane wheel assemblies typically consist of four main parts: the wheel axle, wheel disc, bearing box, and bearings.
Features:
Material: Widely utilizes forged chromium alloy materials.
Parameters: Key specifications include: ø160, ø200, ø250, ø315, ø400, ø450, ø500.
|
4. DRS wheel blocks
| Application Scenarios: Mainly used in stackers, shield machines, equipment supporting, metallurgical trolleys, and other industries.
Features:
Crane Wheel Material: spheroidal-graphite cast iron
Technical Parameters: wheel load from 2.75 tons to 40 tons, scientific series division (DRS112~DRS500)
|
5.45°Split Bearing Box Crane Wheel Assembly
| Application Scenarios: Primarily used in the travelling mechanisms of large lifting equipment
Composition: The 45°split bearing box-type crane wheel assembly consists of four main parts: the wheel axle, wheel disc, 45°split bearing box, and bearings.
Features:
Wheel Assembly Material: The wheel material is typically high manganese alloy or cast steel. Cast steel wheel assemblies include cast 55, cast 50SiMn, and cast 42CrMo. Forged steel wheel assemblies include forged 60, forged 42CrMo, and forged 65Mn.
Size Parameters:
|
+86 373 8735088